一、沖壓產品的工藝分類
1、基本工序分類
沖壓工藝按其變形性質可以分為材料的分離與成型兩大類。
分離工序是指坯料在沖壓力的作用下,變形部位的應力達到抗拉強度以后,是坯料發生斷裂而產生分離,從而獲得所需形狀與尺寸的工件的沖壓工序。
成型工序是指坯料在沖壓力的作用下,變形部位的應力達到屈服點,但未達到抗拉強度,使坯料產生塑性變形而不發生斷裂分離,從而獲得所需形狀與尺寸的工件的沖壓工序。

2、分離工序的類別
分離工序按照其不同的變形機理分為沖裁、整修兩大類。
沖裁:指用模具沿沿一定的曲線或直線沖切板料(包括以下幾類)





整修是對沖裁件的斷面部分進行再加工的分離加工方法,整修變形是一種切削機理,其工件的尺寸精度和斷面質量比沖裁件好。

3.成型工序的類別
成型工序較多,包括:彎曲、拉深、翻邊、脹形和擠壓工藝等。(具體如下:)








二、沖裁
1、沖裁產品的形態與成型過程介紹
沖裁產品的形態。沖裁產品的的斷面分為:塌角、光亮 帶、斷裂帶、毛刺,這四種形態是在產品沖裁過程中于不同的階段,不同的部位、不同的應力作用下產生的。
如上圖,1塌角 :高度約等于8%T至15%T ;2.光亮帶 :高度約等于15%T至55%T ;3.斷裂帶 :高度約等于35%T至75%T ;4.毛刺 :高度約等于5%T至10%T

1)彈性變形階段
受力分析:刃口部分材料受剪切力,力的大小小于彈性極限,若力消失,則材料恢復原始狀態。

狀態描述:凸模施加壓 力于材料,材料略擠入凹模刃口。
2)塑性變形階段
受力分析:材料受力由邊及中心 ,逐漸超過彈性極限

狀態描述:凸模進一步深入材料,在本階段沖裁件產生塌角以及光亮帶
3)剪裂階段
受力分析:材料靠近凹模刃口的部分應力首先達到材料的抗剪切強度,使凹模刃口旁邊的材料產生的裂紋增大。而此時凸模刃口部分材料還處于塑性變形階段,隨著沖頭的進一步深入材料,沖頭附近材料也達到剪切強度,也產生裂紋 ,再往后兩裂紋重合,材料分離。

狀態描述:材料分離,上下裂紋重合時相互撕扯產生毛刺

三、與產品設計相關的沖裁工藝要點及設計舉例
1、沖裁產品的分類、作用及結構
沖孔 piercing
1,作為一般過孔使用(要求較低);
2,作為自攻牙底孔使用(產品設計要求光亮帶比例較高);
3,作為高精度轉軸孔使用(要求無毛刺,少斷裂帶)(采用機械去毛刺的方式或模具倒面的方式)
注意:設計沖孔時,由于受到凸模強度的限制, 孔的 尺寸不宜太小(一般大于0.5T)

落料 stamping
作用:
1,作為一般外形使用(要求較低);
2,作為對接接頭激光焊接裝配使用(無毛刺、大的光亮帶、小的斷裂帶間隙);
3,作為軟飾支架使用(要求卷邊或者去毛刺)
注意:
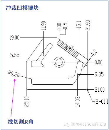
1,產品設計時應該使沖裁件各直線或曲線的連接處有適當的圓角.(否則凹模應力集中,容易損壞);
2,考慮到模具線切割的加工工藝,沖裁零件或者落料零件的最小R角不要小于R0.2。

切舌、切曲 lancing
作用:
1,作為卡扣使用;
2,作為限位使用;
3,節約工序,提高材料的利用率,將切邊與折彎兩道工藝合二為一。(缺點:毛刺方向無法改變,必須與沖頭方向相反)
注意:要求切口部位與折彎部位距離足夠大, 滿足沖頭強度.

切舌、切曲 結構設計的注意點:
1)切曲時沖頭的寬度要足夠大,零件設計時保證切口部位和折彎部位的距離在5mm以上,否則沖頭強度低,影響模具的壽命。
2)模具設計時刀口剪切部分要保證3mm左右的直邊,以防止產生崩刀的現象。沖頭兩邊要保證留有斷差,從而保證先剪后彎。

與沖裁相關的產品設計注意點總結
1)產品設計時應該使沖裁件各直線或曲線的連接處有適當的圓角.(原因:1、普通線切割的最小R角為0.2,尖角不易保證。2、尖角處凹模應力集中,模具受力后容易損壞。)
2)產品設計時應該標明毛刺方向.毛刺對產品裝配以及操作員工的安全都非常重要。(注意:是標注毛刺方向,不是沖壓方向)
3)設計沖孔時,由于受到凸模強度的限制, 孔的 尺寸不宜太小(一般大于0.5T,盡量不要讓孔的直徑小于0.8T)
4)設計產品時,材料的抗拉強度應盡量小于630MPa,否則模具較難制造。(當產品的抗拉強度小于630MPa時,模具材料可選用普通的價格相對便宜的模具鋼,如: Cr12、Cr12MoV、SKD11、 D2等。當產品的抗拉強度大于630MPa時,模具材料需選用特殊的、較貴的模具鋼,如SKH-9)

5)當產品設計對沖裁斷面有特殊要求時必須標明各斷面部位可接受的最小值。
6)切曲時注意在產品上設計切邊角度,以便于脫模,從而減少沖頭的磨損。

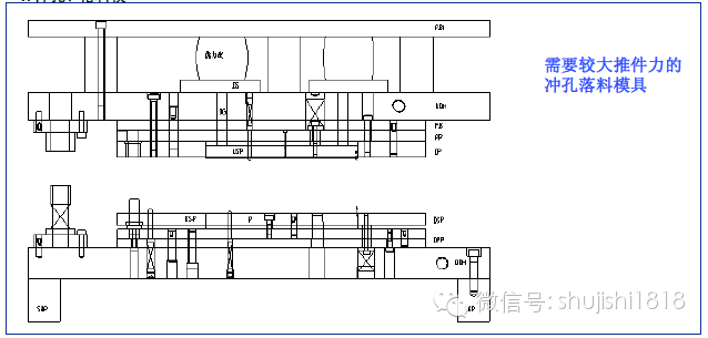
2、沖裁模具簡介
1)沖孔、落料模


2)去毛刺模具




3)側面沖孔模具


四、彎曲產品形態與成型過程介紹
1、彎曲產品的形態
折彎成型機理:金屬材料受到的應力大于彈性極限(屈服強度)而 又小于斷裂極限(抗拉強度),造成板料在彎曲變形區內的曲率發生變化,形成折彎。
折彎受力分析:折彎時材料內側受壓應力、外側受拉應力,并且拉應力占主導作用,故材料的中性層為材料中心偏向折彎內側。

中性層 :距離材料內側約等于0.255T
材料的外層纖維由于受到拉應力材料產生相對移動,材料的不足由寬度方向補充
2、折彎過程(以V曲為例):
1)凸模運動接觸板料(毛坯)由于凸,凹模不同的接觸點力作用而產生彎矩,在彎矩作用下發生彈性變形,產生彎曲。
2)隨著凸模繼續下行,毛坯與凹模表面逐漸靠近接觸,使彎曲半徑及彎曲力臂均隨之減少,毛坯與凹模接觸點由凹模兩肩移到凹模兩斜面上。
3)隨著凸模的繼續下行,毛坯兩端接觸凸模斜面開始彎曲。
4)壓平階段,隨著凸凹模間的間隙不斷變小,板料在凸凹模間被壓平。
5)校正階段,當行程終了,對板料進行校正,使其圓角直邊與凸模全部貼合而成所需的形狀。

3、彎曲產品容易出現的兩類問題(回彈、開裂)
1)回彈:
回彈的原因:材料是由眾多層的纖維排列而成的,每一層纖維的 受力情況不一樣,(最外層受拉應力最大,最里層受壓應力最大,兩種力的大小向中性層方向遞減),故在折彎成形后,并不是所有的纖維層的受力都大于材料的彈性極限,所以處于彈性變形階段的材料有回復的現象

1)中性層的應力、應變為零
2)中性層向內側壓應力逐漸增大
3)中性層向外側拉應力逐漸增大

1)沖壓件在彎曲時,大部分材料層的應變都進入塑性變形區域,這些材料層不會產生回彈。
2)靠中性層距離較近的材料層應變依然處在彈性變形區域,這些材料層在外力消失后(折彎沖頭離開工件)會產生回彈
影響回彈的因素:
(1)材料的彈性極限越高,所需要的變形應 力 就越大,回彈也就越大
(2) 材料的相對彎曲半徑R/T越小 ,應力就越集中,彈性變形占的比例越小,回彈就越小

2)開裂
折彎時工件的部分材料層受到的應力大于抗拉極限時,工件出現開裂現象。(離中性層越遠的材料層,其應力應變越大)
避免開裂的方法:避免折彎時,彎角內側的R角過小。(一般R值不小于0.5T)
4、折彎產品的變形特點
(1)、材料的外層纖維由于受到拉應力,材料產生相對移動,材料的不足由寬度和厚度 方向補充,故材料寬度尺寸減小。
(2)、材料的內層纖維由于受到壓應力,內層材料向寬度方向移動、致使材料內層寬度增加。
(3)、當寬度小于3倍的材料厚度時,以上現象明顯,產品設計時應避免寬度小于3倍的材料厚度的情況。

5.與產品設計相關的彎曲工藝要點及設計舉例
(1)彎曲件的圓角半徑不宜小于最小彎曲半徑,以免產生 裂紋;但也不宜過大,否則由于變形不徹底,回彈回較大.(一般情況下最小彎曲半徑R>=0.5T)
注意:
1)產品設計時應避免折彎R角過小,否則易引起應力集中。
2)R角尺寸必須標注在內側。(具體原因:折彎時工件貼緊沖頭,沖頭的R角決定了工件的R角,并且易于控制和調整。)
(2)彎曲件的彎邊長度不宜過小,否則在彎邊時模具對材 料的支持長度太小,不容易得到形狀準確的零件,彎曲件往往容易外倒. H>R+2T.
注意:產品設計時應避免折彎直邊過小,否則易引起外倒,不易控制垂直度。
(3)彎曲件不應位于零件寬度突變處折彎,以避免撕裂.若必須在寬度突變處彎曲時,應事先設計工藝槽.
(4)由于在彎曲時毛坯或多或少都會有滑移現象,故產品設計時應盡量設計工藝孔.



6.折彎模具簡介




五、成型工藝形態與過程介紹
1、成型工藝分類及介紹
成型機理:金屬材料受到的應力大于彈性極限(屈服強度)而 又小于斷裂極限 (抗拉強度),在塑性變形范圍內產生設計人員想要的變形模式。
成型工藝分類:1.拉深 2.擠壓 3.翻邊 4.翻孔(抽孔) 5.縮口、擴口

2、與產品設計相關的成型工藝要點及設計舉例
1)擠壓
擠壓凸包的作用有三個:
(1)作為兩個零件間的自定位銷使用
注意:
a.當凸包做定位銷使用時,需要嚴格控制凸臺的直徑,一般情況下凸臺的直徑公差可控制在+/- 0.04mm左右b.由于凸包是擠壓成型的,故凸包的側面全是光亮帶;
(2)作為運動機構的限位使用
(3)作為凸焊的凸點使用
凸包設計的注意點及沖頭尺寸:
原則:1)必須保證凸包和母體之間有足夠的材料連接,否則凸包易脫落。2)作為凸焊使用時凸點直徑D>= 2t+0.7,并且大于1.8mm.
凸點高度H>=(0.4t+0.25),并且大于0.5mm
凸包極限高度設計尺寸如下圖

注意:標注凸包尺寸時,只能夠控制外凸部位尺寸,不能控制內凹部位尺寸。
擠壓凸包模具結構:凹模的尺寸決定凸包的直徑頂針和擠凸沖頭共同決定凸包的高度。注意:標注凸包尺寸時,只能夠控制外凸部位尺寸,不能控制內凹部位尺寸。

2)抽孔
抽孔的作用有兩個:
a)作為鉚釘連接零件使用(包括沖鉚、翻鉚);
優點:可省略鉚釘,節約成本。缺點:不能承受很大的拔脫力或剪切力。
抽孔沖鉚:起固定連接作用。
抽孔翻鉚:起旋轉軸的作用。
b)作為連接螺母使用
抽孔設計的注意點及沖頭尺寸:
原則:a)必須保證有足夠的材料流動(即,必須計算抽孔可行性)。
b)作為翻鉚使用時,必須控制抽孔的外徑(尺寸標外徑)。
注意:模具對抽孔的內、外徑都可以控制 ,沖頭控制內徑;凹模控制外徑,但不能同時控制。即每個零件只能控制一個值.
c)作為螺母使用時,必須控制抽孔的內徑(尺寸標內徑)。
d)作為螺母使用時,必須保證抽孔后變薄的直邊厚度大于1.3倍的螺紋牙距。
e)作為螺母使用并且有強度要求時,必須保證抽孔后直邊最小高度大于3倍的螺紋牙距。
抽孔可行性計算:
抽孔: 沿內孔周圍將材料翻成側立凸緣的沖壓工序。翻孔系數:預沖孔直徑與翻孔后直邊的中徑的比值(翻孔系數越大變形程度越小)
影響翻孔系數的因素:
a)材料的塑性,塑性越好翻孔系數越小。
b)預沖孔相對直徑D/t,D/t越小,翻孔系數越小。
c)孔的加工方法。(若翻孔較高,則毛刺位于內側時,不易開裂;位于外側時需增加導面工序然后再抽孔。)
d)翻孔沖頭的形式。(球面沖頭能夠使翻孔系數減小,增大變形程度。)
理論上需要根據抽孔系數來判斷抽孔工藝是否可行(該方法需要確定的因素太多,費時費力)。一般情況下可根據預沖孔與料厚的比例關系,進行判斷。當預沖孔相對直徑D/t大于1時,一般認為可行。
預沖孔尺寸計算:
原則:翻孔前后體積不變原則。
AB={H*EF-(π/4-1)*EF*EF}/T
預沖孔直徑d=D-2*AB一般翻孔后材料的厚度變薄,變薄系數取0.45到0.9之間。
變薄系數指:EF與原材料厚度T的比值
一般認為當d>=T時,抽孔可行( 經驗值,詳細判斷可參考抽孔系數)

抽孔模具結構
抽孔沖頭結構:a)當采用拋物線形的翻孔沖頭時,因為有圓弧過度,故翻的質量較高。(結構如下)
注:圓弧半徑不一樣時,沖頭對材料的擠出效果不一樣。小的圓弧沖頭由于過度較小,對材料擠出時瞬時的擠壓力大,故材料的變形也大,所以在其他條件相同的情況下,采用小圓弧翻孔沖頭翻孔的高度較高。
b)無預沖孔的一次翻孔成形沖頭。
注:刺孔的大小與兩次成形時預沖孔的大小一致(A=a, B=b)。一次沖孔翻孔結構,只適用于翻孔毛刺在外側的情況。
3)內凹翻邊
翻邊是沿外形曲線周圍將材料翻成側立短邊的工序。
a)內凹翻邊(伸長類翻邊):變形與抽孔相似。b)變薄率范圍在0.9~1之間(變形最嚴重的區域在最高端面)
內凹翻邊可行性判斷:
a)展開尺寸
b)判斷
翻邊前的端面弧長度L1
翻邊后的端面弧長度L2
當端面變形率K>原材料的延伸率時,會出現開裂現象
產品設計時,可以調整R、r、h的數值,使得端面變形率滿足設計要求 ,不產生開裂的現象.
4)外凸翻邊
a)外凸翻邊(壓縮類翻邊):變形性質屬于壓縮成型。
b)外凸翻邊展開尺寸

六、其它沖壓模具結構簡介
卷圓模具結構(方式一)
步驟:1、卷八分之一圓, 2、上斜曲八十度,3、下推卷圓成形。

2、卷圓模具結構(方式二)
步驟:1、卷四分之一圓, 2、利用滑塊側推。

3、打扁模具結構(外邊緣打扁)
步驟: 1、下料;2、上曲90度;3、下壓70度(沖頭R的大小為2倍的料厚減0.3) 4、壓平
4.打扁模具結構(內孔打扁)
步驟: 1、下料;2、上曲90度;3、下壓70度(沖頭R的大小為2倍的料厚減0.3) 4、壓平

5、拉深結構

